Sangat Membantu

Lg 29 Inch Crt Tv Service Mode


Electro Help Philips 46pfl3706 F7 Lcd Tv Power Board Schematic Service Mode Firmware Update Initialization
electronicshelponline.blogspot.fi

Service Mode Menu Computing Menu
www.scribd.com

All Lcd Led Service Menu Code Kazmi Elecom
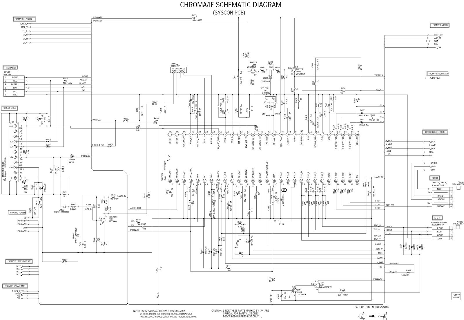
www.kazmielecom.com

Shmups System11 Org View Topic Tv Rgb Mod Thread
shmups.system11.org

Tv Service Repair Manuals Schematics And Diagrams
removeandreplace.com

Tcl Crt Tv Diagram Diagram Base Website Tv Diagram Heartdiagramunlabeled Distribuzionecarburanti It
heartdiagramunlabeled.distribuzionecarburanti.it

Lg Rt 29fb50rb User S Manual Manualzz
manualzz.com

Lg 29fu6rg5t5 29 Crt Tv Rs 12259 Rstore In
www.rstore.in

Lg Crt Television Rt 29fb50rb Users Manual 3828vd0118z
usermanual.wiki

Https Encrypted Tbn0 Gstatic Com Images Q Tbn 3aand9gcqqpcudv9jynydvl0xiwqjzvrbzuv7vnuvwfc01gylvzzc3mgop Usqp Cau
encrypted-tbn0.gstatic.com

Samsung Crt Tv Service Code Youtube
m.youtube.com

P Yp66giyfbum

Amazon Com Lg 32lc7d 32 Inch 720p Lcd Hdtv Electronics
amazon.com

Free Sharp Tv Schematic Diagram
docs.google.com

Electro Help Lg Rf 21fb20r Lg Rt 21fb20r 21 Inch Crt Tv Service Mode Option Adjust Circuit Diagram
electronicshelponline.blogspot.com

Philips Crt Tv Manual
songuifatso.b0tnet.com

Lg 29fs2amb Anx Service Manual Pdf Download Manualslib
www.manualslib.com

Does Anybody Know What These Service Menu Options Do Avs Forum
www.avsforum.com

Official 2019 Lg C9 Consolidated Info Faq Troubleshooting Firmware More Avs Forum
www.avsforum.com

Electro Help Lg 29 Inch Crt Tv How To Enter The Service Mode Service Adjustments Option Settings Full Schematic Mc 991a Chassis
electronicshelponline.blogspot.com

Sign In Circuit Diagram Circuit Board Design Circuit Design
in.pinterest.com

Service Mode Open In Tv Service Mode Full Adjustment Youtube
www.youtube.com

Lg 29fu3ag5tg 29 Crt Tv Rs 11329 Rstore In
www.rstore.in

Sony Led Tv Service Mode
quickbazar.in

Electronics Tricks And Tips Service Code
electronicstrick.blogspot.com

Philips 28pt4456 Crt Tv Service Menu And Overscan Adjustment Youtube
www.youtube.com

Sony Wega Trinitron Crt Tv Service Menu Tips Tricks And Settings Suggestions
www.neo-geo.com

Review Of The 23 Lg W2363d 120hz Full Hd 3d Gaming Monitor 3d Vision Blog
3dvision-blog.com

Lg 29fu6 29 Ultra Slim Tv Lg Uae
www.lg.com

Service Mode Menu Computing Menu
www.scribd.com

Videocon Tv Service Mode Open Code And In Service Menu Setting Youtube
www.youtube.com

Electro Help How To Enter Service Mode To Onida Color Televisions Promise 14 Promise 20
electronicshelponline.blogspot.com

Hidden Secret Service Menu Codes For Sony Samsung Lg And Philips Tv Askvg
www.askvg.com

How To Display The Secret Menu In Lg Tvs 15 Steps With Pictures
www.wikihow.com

No Sound In Tv Caused By A Corrupted Eeprom Ic Electronics Repair And Technology News
jestineyong.com

How To Enter To Service Mode Akai 29ct42fsq 21ct06fs 15ct22fs 29ct06fs And Circuit Diagram Electroni Circuit Diagram Electronics Basics Diy Electronics
in.pinterest.com

Lg Crt Tv Service Manual
coachgoodtext.web.fc2.com

Service Mode Operation And Tuning Tv Chassis Ks1a Samsung 2039
service-mode.com

Diagram Tcl Crt Tv Diagram Full Version Hd Quality Tv Diagram Structuredwiringpro Cogito Expo Fr
structuredwiringpro.cogito-expo.fr

How To Display The Secret Menu In Lg Tvs 15 Steps With Pictures
www.wikihow.com

Philips Tv Service Manual
docs.google.com

How To Open Haier Crt Tv Service Mode Youtube
www.youtube.com

Electro Help Lg Rf 21fb20r Lg Rt 21fb20r 21 Inch Crt Tv Service Mode Option Adjust Circuit Diagram
electronicshelponline.blogspot.com

Samsung Tv Service Menu Explained Description Features
en.tab-tv.com

Kw 8575 Restoration Of A Samsung Crt Tv By Rejuvenating Crt Electronics Free Diagram
heeve.pead.perm.over.ittab.skat.siry.wigeg.mohammedshrine.org

Philips
service-mode.com

Changhong Service Manual Schematic
ashraf-osman.yoo7.com

Tcl Crt Tv Service Mode
tcl-crt-tv-service-mode.kopacicesouthwire.online

Haier Tv Circuit Board Diagrams Schematics Pdf Service Manuals Fault Codes Smart Tv Service Manuals Repair Circuit Diagrams Schematics
www.smarttvmanuals.net

Electro Help Philips 46pfl3706 F7 Lcd Tv Power Board Schematic Service Mode Firmware Update Initialization
electronicshelponline.blogspot.fi

Download Lg 29 Inch Crt Tv Service Manual Google Notes On The Troubleshooting And Repair Of Television Sets
turehandder.xxuz.com

Https Encrypted Tbn0 Gstatic Com Images Q Tbn 3aand9gct0s1dd27kxghcfbybuiogbxptrigm0 Wj4osmer6c8xa49vaok Usqp Cau
encrypted-tbn0.gstatic.com

Buy Lg 29fg2fg5 29 Crt Tv At Best Price In India Audiovideo
www.audiovideo.co.in

Lg Crt Tv Problems Solutions Questions Answers With Pictures Fixya
www.fixya.com

Lg Tv Service Code Techgurumaster Youtube
m.youtube.com

No Sound In Tv Caused By A Corrupted Eeprom Ic Electronics Repair And Technology News
jestineyong.com

Free Tv Circuit Diagrams
docs.google.com

Toshiba Lcd Tv Service Menu Code
masteryit.com

Https Encrypted Tbn0 Gstatic Com Images Q Tbn 3aand9gcsip8lm7270gxwge 0xbcdcqvylhynrs28x25ot6ae6dyulfieb Usqp Cau
encrypted-tbn0.gstatic.com

Tv Service Repair Manuals Schematics And Diagrams
removeandreplace.com

Lg Electronics Crt Television 29fs2amb Anx User Guide Manualsonline Com
tv.manualsonline.com

All Lcd Led Service Menu Code Kazmi Elecom
www.kazmielecom.com

Tv Sony Crt Service Mode Youtube
www.youtube.com

Samsung Tv Service Menu Open And Service Code Youtube
www.youtube.com

Electronics Tricks And Tips Philips Tv Service Mode
electronicstrick.blogspot.com

Philips Crt Tv Service Menu Questions Answers With Pictures Fixya
www.fixya.com

How To Service Fix Phones Tablets Pcs Tvs And Tech Reviews Blog By Tampatec Tv Service Menu Codes Service Menu Codes
tampatec.blogspot.com

Lg 29sa2rs Tv Screen With Xd Engine Technology Lg Latin America Caribbean
www.lg.com

Download Lg 21fs4rg Ts Tv Service Manual Ipod Online Manual Free Dvd Player User Manuals
lolodisci.newddns.com

Tv Service Repair Manuals Schematics And Diagrams
removeandreplace.com

Lg Tv Service Mode Youtube
www.youtube.com

Lg Electronics 29fs2amb Anx Crt Television User Manual Manualzz
manualzz.com

Service Mode Videocon Tv Questions Answers With Pictures Fixya
www.fixya.com

China
service-mode.com

Tv Lg Service Mode Youtube
www.youtube.com

Service Mode Operation And Tuning Tv Chassis Ks1a Samsung 2039
service-mode.com

Amazon Com Lg Electronics 42ln5700 42 Inch 1080p 120hz Led Lcd Hdtv With Smart Tv 2013 Model Electronics
www.amazon.com

29 21 9 Ultrawide Full Hd Ips Led Monitor
www.lg.com

8 Best Tv Images In 2020 Sony Led Tv Sony Led Led Tv
www.pinterest.com

Sharp 21v R70m Service Manual Manualzz
manualzz.com

Aiwa Tv Service Technical Information Cathode Ray Tube Electronic Circuits
www.scribd.com

E H T Equivalents Pdf Electronic Engineering Manufactured Goods
www.scribd.com

Https Encrypted Tbn0 Gstatic Com Images Q Tbn 3aand9gctcvb1b5wphu2mi1 Wh4xh Deztda2ekx4twpkg8ow Usqp Cau
encrypted-tbn0.gstatic.com

Kw 8575 Restoration Of A Samsung Crt Tv By Rejuvenating Crt Electronics Free Diagram
heeve.pead.perm.over.ittab.skat.siry.wigeg.mohammedshrine.org

Hidden Secret Service Menu Codes For Sony Samsung Lg And Philips Tv Askvg
www.askvg.com

No Sound In Tv Caused By A Corrupted Eeprom Ic Electronics Repair And Technology News
jestineyong.com

Electro Help Lg Rf 21fb20r Lg Rt 21fb20r 21 Inch Crt Tv Service Mode Option Adjust Circuit Diagram
electronicshelponline.blogspot.com

29 Class 21 9 Ultrawide Ips Led Gaming Monitor
www.lg.com

Service Mode Menu Computing Menu
www.scribd.com

Toshiba Lcd Tv Service Menu Code
masteryit.com

Lg Flatron Service Manual Pdf Download Manualslib
www.manualslib.com

Lg Tv Service Code Techgurumaster Youtube
m.youtube.com

Electronics Tricks And Tips Service Code
electronicstrick.blogspot.com

21 9 Ultrawide Monitor
www.lg.com

Electronics Repair Made Easy Lg 21 Crt Television Intermittent Dead Symptoms Crt Tv Crt Circuit Diagram
in.pinterest.com

Electro Help Lg 29 Inch Crt Tv How To Enter The Service Mode Service Adjustments Option Settings Full Schematic Mc 991a Chassis
electronicshelponline.blogspot.com

Lg Tv Service Mode Youtube
www.youtube.com

Manual Tv Lcd Da Lg Rt 15la70
www.slideshare.net

Electro Help Lg Rf 21fb20r Lg Rt 21fb20r 21 Inch Crt Tv Service Mode Option Adjust Circuit Diagram
electronicshelponline.blogspot.com

How To Open Lg Crt Tv Service Mode Youtube
www.youtube.com

Lg 29 Inch Crt Tv Service Manual Lg 42ld450 Aus Support Manuals Warranty More Lg
ephuntocep.25u.com

Led Tv With Smart Tv Lg 47lv5500 1080p 120hz Lg Electronics Canada
www.lg.com

All Led Tv Service Modes Information And Communications Technology Electronics
www.scribd.com

Onida Ultra Slim Tv Service Manual
docs.google.com

close